11.21
【韓国】全国民が流した人糞、1年で『9兆ウォン』~うんこがお金になる
┃バイオ燃料、電気、肥料、通貨として誕生
▲ 蔚山科学技術院(UNIST)サイエンス・ウォールデンでは人糞が電気エネルギーに変換され、バイオエネルギーと燃料に活用される。 画像=蔚山科学技術院(UNIST)
_______________________________________________________
ウリたちの祖先は農業用地に人糞をまき、肥料として活用した。その昔、他所の家で大事をするということは、貴重な資源を他人に与えることなので、叱られることだったという。祖先は早くから、『うんこ』の価値を知っていた。知識はなかったのだが、経験が科学を追い越していたのである。
過去のように、トイレから始まる生態革命が今起きている。うんこを資源として活用する蔚山(トサン)科学技術院(UNIST)生活型研究所の『サイエンス・ウォールデン』である。この空間のBeeViトイレで『仕事』をすれば、各種装置を経てうんこがバイオ燃料に、電気エネルギーに、肥料に生まれ変わる。
┃日常の当たり前を科学的価値として
科学者は汚染源と思われてきたうんこを覆した。うんこを資源と考え、さらにはこれを処理する過程を無くして水を節約する、『一石三鳥効果』を期待したのである。
UNISTの研究陣によれば、人間は一生で6トンに至るうんこをたれ、これを水を通じて河川で流す。 だがしかし、うんこは有機物なので土では分解されて肥えた土壌を作るが、水では分解されない。無価値な資源であり、汚染物になるのである。
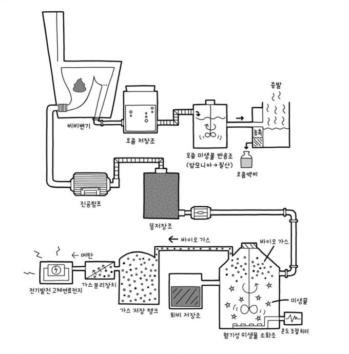
これに対し、UNISTの研究陣は非水洗式トイレを作った。この便器は大便と小便を分離する。分離したうんこは真空ポンプを通じ、嫌気性(空気中の酸素が必要ない性質)微生物の浄化槽に送られる。 この便器の特徴はちょー節水式のため、少ない量の水を利用して圧力でうんこを集めて送る。
嫌気性微生物の浄化槽には微生物が生息している。微生物がうんこを餌にして、バイオガスを作り出す。微生物が生息するために温度調節ヒーターがあり、近寄ると熱気を感じる。このバイオガスはエネルギー貯蔵タンクに行ったり、固体酸化物燃料電池(SOFC)を通じて電気エネルギーに変換される。
▲ (左から)ちょー節水式便器、うんこをバイオ燃料に転換する装置、うんこが電気エネルギーで転換された様子。画像=蔚山科学技術院(UNIST)
┃『うんこ』の再発見
実際に、サイエンス・ウォールデンの空間の全ての電気とエネルギーは、うんこで作られている。ここはBeeViトイレと約5坪の住居空間3室、人糞をエネルギーに転換する装備を構えたバイオセンターと、バイオエネルギー食堂などで構成されている。この空間では関連研究者が研究をしたり、芸術家が何週間も滞在して作品活動などを行う。
サイエンス・ウォールデンのトイレの使用者は、『クル』というサイバー貨幣が与えられる。1回排泄するごとに『10クル』が支給される。いわゆるうんこが貨幣基準になる、『うんこ本位貨幣』だ。この仮想貨幣でキャンパス内の物品を購入することもできる。
研究チームによれば、1人が1日排泄する人糞の価値は500ウォン程度である。全国民がうんこを基準にする貨幣を使った場合、毎年約9兆ウォンに達する価値を新たにつくることができる。
UNIST都市環境工学部のチョ・ヂェウォン教授はサイエンス・ウォールデンを考案した背景に、「人糞を通じた生態変化を導き、これを貨幣やエネルギーに使って新たな価値を提示するためだ」と言いながら、「人糞をエネルギーに変換すれば世の中になかった価値が生まれ、その価値の中に新たな価値共同体が形成される」と話した。
▲ 人糞がバイオ燃料と電気エネルギーなどに転換される科学的原理。画像=蔚山科学技術院(UNIST)
ソース:マネートゥデー(韓国語)
https://news.mt.co.kr/mtview.php?no=2021111917394444379
Source:脱亜論
【韓国】全国民が流した人糞、1年で『9兆ウォン』~うんこがお金になる




